Twój koszyk jest pusty.
Aby dodać produkt do koszyka, kliknij przycisk "dodaj do koszyka".
Galmet, Terma technologie, Valvex, Instal Projekt, Richmond - artykuły hydrotechniczne w SklepArmatura.pl

koszt dostawy: 21 zł więcej »
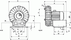
Venture Industries Wentylator boczno -kanałowy SC20
do 4 023,58 zł
od 4 124,17 zł
do 4 949,00 zł brutto
Zastosowanie
Urządzenia do transportu pneumatycznego, maszyny graficzne, poczta pneumatyczna, podnośniki pneumatyczne, wielostopniowe urządzenia filtracyjne o bardzo wysokim stopniu separacji pyłów, odkurzacze przemysłowe, napowietrzanie basenów w biologicznych oczyszczalniach ścieków, galwanizerniach, etc.
Konstrukcja
Wentylator bocznokanałowy o napędzie bezpośrednim przeznaczony do bezolejowego transportu nieagresywnych i niewybuchowych gazów lub do wytwarzania nad i podciśnienia. Obudowa wentylatora, wirnik (wyważany dynamicznie wg ISO 1940) oraz obudowa tłumika dźwięku wykonane są ze stopów aluminium. Wentylator przystosowany jest do pracy w pozycji poziomej lub pionowej. Wentylatory o napędzie pasowym o charakterystykach dostosowanych do potrzeb klientów wykonywane są na życzenie. Na zamówienie urządzenie może być dostarczone w dowolnym kolorze z palety RAL (standardowo RAL 7042 – szary).
Silnik elektryczny
Asynchroniczny, trójfazowy 230/400V, lub 400V, 50Hz, lub jednofazowy 230V, 50Hz z kondensatorem. Silniki są wykonane zgodnie ze standardem IEC 60072 i IEC 60034, posiadają znak CE. Klasa izolacji F, stopień ochrony IP 55.
Wybrane modele posiadają czujniki binetolowe lub pozystorowe. Silniki na inne napięcie i częstotliwość, o podwyższonym stopniu ochrony, przystosowane do regulacji napięciowej lub przetwornicą częstotliwości, z niezależnym chłodzeniem, z czujnikami (bimetalowymi lub pozystorowymi), mogą być dostarczone na życzenie.
Uwaga!
Transport gazów wybuchowych i agresywnych lub gazów zanieczyszczonych, zawierających cząstki stałe jest niedozwolony.
Montaż
![]() |
![]() |
Producent: Venture Industries
Wybierz wersję produktu:
| Ta sama linia | |||
|
Venture Industries Wentylator boczno -kanałowy SC10A037T |
1 958,65 zł | ||
|
Venture Industries Wentylator boczno -kanałowy SC10A037S |
3 028,38 zł | ||
|
Venture Industries Wentylator boczno -kanałowy SC10A055T |
2 910,67 zł | ||
|
Venture Industries Wentylator boczno -kanałowy SC10A055S |
3 120,41 zł | ||
|
Venture Industries Wentylator boczno -kanałowy SC10C075T |
3 120,41 zł | ||
|
Venture Industries Wentylator boczno -kanałowy SC10C075S |
3 352,62 zł | ||
|
Venture Industries Wentylator boczno -kanałowy SC30A220T |
6 484,81 zł | ||
|
Venture Industries Wentylator boczno -kanałowy SC30A300T |
6 795,14 zł | ||
|
Venture Industries Wentylator boczno -kanałowy SC30C220T |
6 795,14 zł | ||
|
Venture Industries Wentylator boczno -kanałowy SC30C300T |
6 891,44 zł | ||
|
Venture Industries Wentylator boczno -kanałowy SC10 od 1 958,65 zł zobacz » |
|
|
Venture Industries Wentylator boczno -kanałowy SC20 od 4 124,17 zł zobacz » |
|
|
Venture Industries Wentylator boczno -kanałowy SC30 od 6 484,81 zł zobacz » |
|
|
Venture Industries Wentylator boczno -kanałowy SC40 od 7 103,99 zł zobacz » |
|
|
Venture Industries Wentylator boczno -kanałowy DSC od 8 847,14 zł zobacz » |
Pompy Grundfos, LFP, Lowara – wysokiej jakości pompy do wody i przemysłu | skleparmatura.pl
8 października 2025
W skleparmatura.pl znajdziesz niezawodne pompy Grundfos, LFP oraz Lowara. Idealne do instalacji domowych i przemysłowych. Sprawdź naszą ofertę i wybierz pompę dopasowaną do Twoich potrzeb!
czytaj »13536
klientów
Zaufało nam!



























