Twój koszyk jest pusty.
Aby dodać produkt do koszyka, kliknij przycisk "dodaj do koszyka".
Galmet, Terma technologie, Valvex, Instal Projekt, Richmond - artykuły hydrotechniczne w SklepArmatura.pl

koszt dostawy: 21 zł więcej »
Venture Industries Wentylator promieniowy MPA
do 6 788,00 zł
od 2 335,77 zł
do 8 349,24 zł brutto
Zastosowanie
Wentylatory MPA mają wiele zastosowań w systemach odciągania zanieczyszczonego powietrza i transportu pneumatycznego. Typowe zastosowania:
- odciągi miejscowe, osuszacze, układy suszenia
- transport wiórów, trocin, granulatów
- odciągi spalin samochodowych
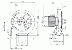
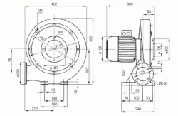
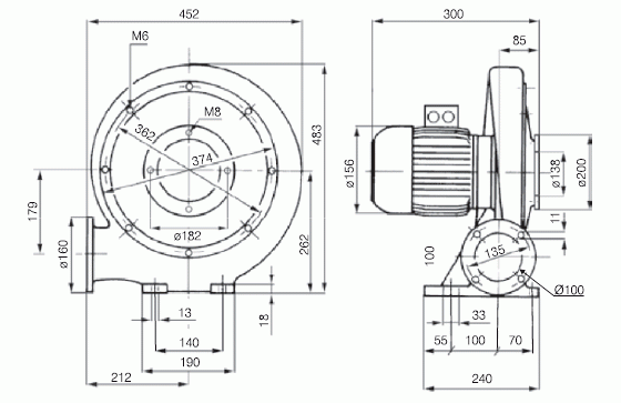
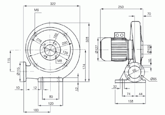
Konstrukcja
Średniociśnieniowe wentylatory promieniowe o napędzie bezpośrednim. Wirnik w modelach od 03 do 290 standardowo ze stopów aluminium, w modelu 350 i 600 stalowe spawane z prostymi łopatkami przystosowane do transportu mediów zanieczyszczonych (spaliny, pyły, wióry, granulaty, etc.). Wyważane dynamicznie wg ISO 1940. Obudowa ze stopów aluminium, malowana. Wirniki spawane ze stali kwasoodpornej, ze stopów miedzi jak również obudowy żeliwne mogą być wykonane na życzenie. Wentylatory MPA wykonywane są standardowo w figurze LG 270.
W wentylatorach MPA 160T, MPA 290T, MPA 350T i MPA 600T istnieje możliwość zmiany figury. Na zamówienie wentylator może być dostarczony w dowolnym kolorze z palety RAL (standardowo RAL 7042 - szary). Maksymalna temperatura tłoczonego medium 80oC. Temperatura otoczenia silnika -15oC do 40oC. Wykonania niestandardowe i specjalne wymagają ustaleń z Venture Industries Sp. z o.o.
Silnik elektryczny
Asynchroniczny, trójfazowy 220–240/380–420V, 50Hz lub 380-480 V, 50 Hz lub jednofazowy 220–240V, 50Hz z kondensatorem. Silniki są wykonane zgodnie ze standardem IEC 60072 i IEC 60034, posiadają znak CE. Klasa izolacji F, stopień ochrony IP 55. Silniki na inne napięcie i częstotliwość, o podwyższonym stopniu ochrony, przystosowane do regulacji napięciowej lub przetwornicą częstotliwości, z niezależnym chłodzeniem, z czujnikami (bimetalowymi lub pozystorowymi), mogą być dostarczone na życzenie
Producent: Venture Industries
Wybierz wersję produktu:
| Ta sama linia | |||
|
Venture Industries Wentylator promieniowy MRA 200T |
3 273,77 zł | ||
|
Venture Industries Wentylator promieniowy MRA 260T |
4 208,08 zł | ||
|
Venture Industries Wentylator promieniowy MRA 300T |
4 423,57 zł | ||
|
Venture Industries Wentylator promieniowy MRA 300S |
4 538,70 zł | ||
|
Venture Industries Wentylator promieniowy MRA 400T |
6 001,42 zł | ||
|
Venture Industries Wentylator promieniowy MBA 25T |
4 904,01 zł | ||
|
Venture Industries Wentylator promieniowy MBA 25S |
4 768,71 zł | ||
|
Venture Industries Wentylator promieniowy MBA 30T |
4 659,24 zł | ||
|
Venture Industries Wentylator promieniowy MBA 30S |
4 768,71 zł | ||
|
Venture Industries Wentylator promieniowy MBA 75T |
4 238,09 zł | ||
|
Venture Industries Wentylator chemoodporne LFS od 2 445,24 zł zobacz » |
|
|
Venture Industries Wentylator promieniowy CBP od 2 596,53 zł zobacz » |
|
|
Venture Industries Wentylator promieniowy QP 405 od 6 330,56 zł zobacz » |
|
|
Venture Industries Wentylator promieniowy QP 4010 od 6 675,95 zł zobacz » |
|
|
Venture Industries Wentylator promieniowy QP 617,5 od 7 580,74 zł zobacz » |
Opinia o sklepie internetowym skleparamtura.pl
3 listopada 2025
Opinia o sklepie internetowym skleparmatura.pl
czytaj »13610
klientów
Zaufało nam!












































